Halmahera Resources - Halmahera Project

Halmahera Project

LOW-COST, PROPRIETARY PROCESS

HALMAHERA PROJECT

PROJECT DESCRIPTION

Location: South Halmahera Regency, North Maluku Province, Indonesia.

The Project area includes previously mined territory and is spread over three properties.

The Project's accessibility to existing infrastructure is one of its competitive benefits. The Project is 35 km from a source of high-voltage electricity from the electrical grid, 65 km from a rail line, and has suitable access to the site via bitumen roads. The major centers have solid infrastructure, including transportation, maritime ports, and rail stations, which can all meet the Project's requirements.

 

Geological Overview

The deposit is a massive, flat, continuous nickel laterite deposit with cobalt and locally increased platinum and scandium. A mineralized layer up to 40 meters thick covers a 4 km x 2 km region and lies 0–30 meters beneath the surface.

The deposit is an iron-rich oxide nickel laterite with higher-than-normal quantities of cobalt and platinum and scandium, as well as regionally enhanced platinum and scandium. Over an ultramafic intrusive complex, the deposit has grown. The laterite thins out over pyroxenites and lies above a serpentinized dunite core (dunite complex).

 

Mineral Reserve

Nickel, cobalt, platinum, and scandium are all included in the deposit, which can be exploited using open-pit mining techniques. The economically mineable portion of the measured and indicated resource is included in the Mineral Reserve. It accounts for mining dilution as well as mining losses. Mining, metallurgical, economic, marketing, legal, environmental, social, and governmental factors are all accurately estimated through appropriate assessments and studies. These evaluations demonstrate that extraction can be justified at the time of reporting. The total current Mineral Reserves show a mining life of more than 20 years. The pit design includes 0.3 million tonnes of inferred resource, which has been classified as waste and is not included in the Mineral Reserve estimate.

The project will produce up to 20,000 tpa of nickel and 3,000 tpa of cobalt as high-purity sulphates for the lithium-ion battery market, which is rapidly developing.

 

Project – Key Parameters

Key Parameter

Basis of DFS

Mineral Resource Base

2018 Measured and Indicated Resources

Mineral Reserve

2019 Probable and Proven Reserves

 

 

Life of Mine

20+ Years

Life of Mine for Financial Modeling

15 Years

Average Life of Mine Strip Ratio

1.1:1

 

Years 2-10

Years 2-20

Autoclave Average Feed Grade

-Nickel (%)

0.75

0.65

-Cobalt (%)

0.15

0.10

Average Metal Production

-Contained Nickel (tpa)

19,230

18,840

-Contained Cobalt (tpa)

2,320

1,810

Average Sulphate Production

- Nickel sulphate (tpa)

80,300

74,250

- Cobalt sulphate (tpa)

19,100

12,860

Average Recoveries

-Nickel (%)

90.3

 

The Project will produce up to 20,000 tpa of nickel and up to 3,000 tpa of cobalt, as high-purity sulphates for the rapidly expanding lithium-ion battery market.

 

The Key Competitive Advantages:

 

Halmahera Project Main Factors:

Large and Durable Resource

 

High-Value, Strategic Nickel Product

 

Low Projected Costs

 

Minimal Environmental Impact

 

Conventional Mining and Processing

 

HALMAHERA PROJECT (145 km2)

 

 


Main Deposit – Step Out Drilling

Southeast Zone (shaded area on map)

 

Hole

Intersections

DTR Nickel (%)

Comments

From

To

Length

 

2018-1

3

321

318

0.145

 

2018-7

3

71

68

0.13

 

2018-5

45

303

258

0.145

 

2018-7

51

304

253

0.163

 

2018-36

31.1

600.1

563

0.156

Excludes 5.7m dike

2019-37

64

600

494.9

0.147

Excludes 8.2m and 33m dike sequence

2019-39

38.2

594.1

552.7

0.153

Excludes 3.1m dike

2019-40

33

588

549.9

0.153

Excludes 5.1m dike

2019-43

33.2

600

508.1

0.151

Excludes 22m, 9m, 14.2 m, 3.2m & 9.9 m dikes and minor wall rock

2019-46

28.6

600.1

487.4

0.15

Excludes 20m, 8m, 14m, 12m & 11m dikes and < 0.1% DTR Ni intervals

2019-50

34.5

229

194.5

0.147

 

2019-55

106

569.7

456.2

0.158

Excludes 7.4 m dike

2020-63

73

390

317

0.121

Excludes 4 m, 5 m, 25 m, 2 m, 1m, 1m and 1m dikes

2020-65

29

351

322

0.131

Excludes 1 m, 8 m, 1m and 2 m dikes

2020-67

55

349

294

0.151

Excludes 9 m and 1m dikes

2020-68

26

172

146

0.128

Excludes 1.2 m dike

 

 


Main Deposit 2020 Mineral Resource Estimate

 

- The results of step-out drilling completed in the Southeast Zone in 2020 are incorporated into the 2020 mineral resource model.

- By adding near-surface tonnage in a starting pit to the southeast of the 2018 PEA pit, the mine plan is significantly improved.

 

 

Main Deposit Long Section View

 

 

- The results of step-out drilling done in the Southeast Zone in 2018 are incorporated into the 2020 mineral resource model.

- By adding near-surface tonnage in a starting pit to the southeast of the 2018 PEA pit, the mine plan is significantly improved.

 

 

Main Deposit 2020 Mineral Resource Estimate


* Davis Tube Recoverable Nickel”; 0.06% cut-off

- Estimate for 2020 - 2020 mineral resources are reported in relation to a conceptual pit shell and a cut-off grade of 0.06 % DTR Ni inside a resource shell.

- Mineral resources that are not mineral reserves have not been proven to be economically viable. There is a considerable degree of ambiguity about the existence of inferred mineral resources, as well as their economic and legal feasibility.

- It cannot be presumed that an inferred resource, in its entirety or in part, will be upgraded to a higher category.

 

 


Comparing 2020 vs 2018 Mineral Resource Estimate

- More advanced model than the previous iteration with a new robust geological model.

- Increased level of confidence (+70 % increase in indicated tonnage).

- Similar total tonnage and grade using significantly lower Ni price assumption.

 

 


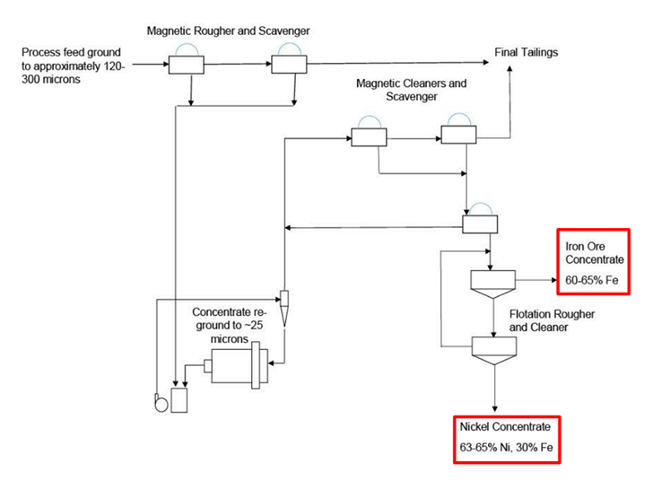
Conventional Metallurgy

A simple process:

  • Magnetic separation;
  • Conventional flotation, high recoveries, high-grade products;
  • 85% recovery of DTR (Davis Tube Recovery) Ni grade;
  • Ni concentrate grading 63% Ni and 30% Fe;
  • By-product iron ore concentrate grading 60- 65% Fe;
  • Nonacid-generating host rock;
  • Products with a high metal concentration and low impurities.

 

 

Parameter

2018 PEA (Magnetics + Gravity)

2020 PEA (Magnetics + Flotation)

Ni Concentrate Grade

13.5% Ni

63% Ni

DTR Ni Recovery

82%

85%

Iron Ore Concentrate Grade

N/A

60-65% Fe

 

 


An Integrated Nickel Operation

Premium nickel product suitable for stainless steel and Electric Vehicle (EV) battery markets:

 

  • Direct sell of Sulphate and Co sulphate to stainless steelmakers;
  • Bypass smelters of nickel able to produce sulphates at a premium price;
  • Chemical feed for nickel;
  • High-content nickel and cobalt;
  • Conventional process.

 

 

The Ni Concentrate Feed for EV Battery Market